EXOLÖF

Antenn GSM 2G/3G

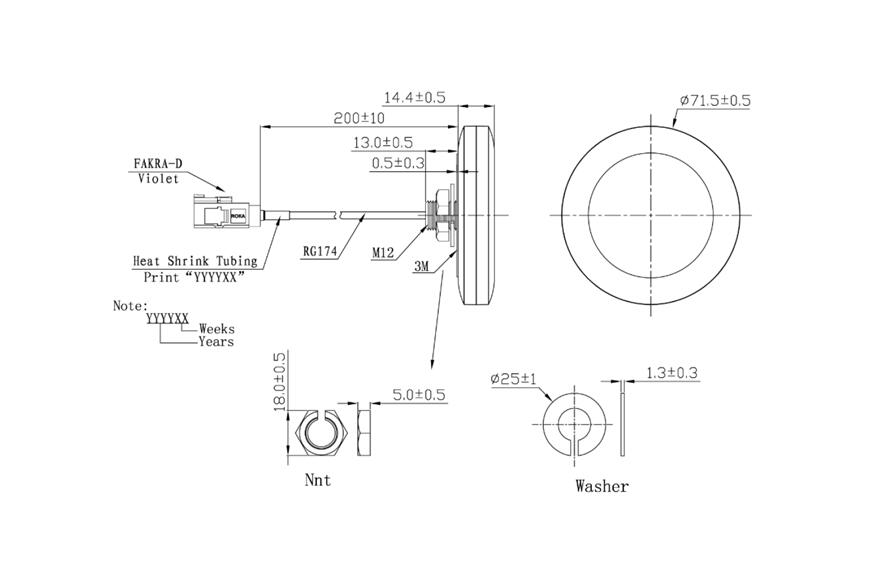
Våra GSM-antenner används idag mestadels på mobila applikationer, där vi skapar kundunika lösningar med olika kablagelängder och olika typer av kontaktdon.

Denna GSM-antenn är producerad för användning på frekvenserna 824-960MHz & 1710-2170MHz.

 

Godkännande:                  RoHS

IP Klass:                          IP66

VSWR:                            < 2.5

Peak Gain:                       +2 dBi

Mått:                                71,5mm x 14,5 mm

Impedance:                      50 Ω 

Temp område:                 -40 till 85 °C

Kabeltyp:                         RG174

Kontakttyp:                      Fakra D - ROKA

Moment vid montering:    1Nm till 3Nm

Monteringshål:                 ø12 (+2mm/-0mm)

Kabellängder:                   Varianter mellan 20-500 cm

 

Andra kabeltyper och kontakttyper tillgängliga vid förfrågan & MOQ

 

Läs mer
  • IP66
  • VSWR <2.5
  • +2dBi
  • 71,5 x 14,5mm
  • -40 till 85°C

Vald variant

Fler varianter oem automatic

Teknisk data

Diameter yttre ±10% 71,5 mm
Höjd 14,5 mm
IP-klass IP66
Kabellängd 200 mm
Kontakttyp Fakra D
Peak Gain +2 dBi
Temperaturområde från -40 °C
Temperaturområde till 85 °C
Typ GSM 2G / 3G
VSWR < 2.5

Tekniska illustrationer

Produktbeskrivning

Våra GSM-antenner används idag mestadels på mobila applikationer, där vi skapar kundunika lösningar med olika kablagelängder och olika typer av kontaktdon.

Denna GSM-antenn är producerad för användning på frekvenserna 824-960MHz & 1710-2170MHz.

 

Godkännande:                  RoHS

IP Klass:                          IP66

VSWR:                            < 2.5

Peak Gain:                       +2 dBi

Mått:                                71,5mm x 14,5 mm

Impedance:                      50 Ω 

Temp område:                 -40 till 85 °C

Kabeltyp:                         RG174

Kontakttyp:                      Fakra D - ROKA

Moment vid montering:    1Nm till 3Nm

Monteringshål:                 ø12 (+2mm/-0mm)

Kabellängder:                   Varianter mellan 20-500 cm

 

Andra kabeltyper och kontakttyper tillgängliga vid förfrågan & MOQ

 

Tillbehör

Relaterade produkter

Lär dig mer i Inspo

5G-antenn från Exolöf – stabil kommunikation i industrin
Produktnytt

5G-antenn från Exolöf – stabil kommunikation i industrin

I många moderna industrimiljöer pågår arbetet dygnet runt. Maskiner rör sig, dataflöden ökar och kraven på realtidskommunikation blir allt tydligare. För att allt ska fungera behöver du en antennlösning som klarar samma takt som din produktion. Exolöfs 5G-antenn, som vi på OEM Automatic erbjuder, är utvecklad just för detta: att leverera stabil och robust uppkoppling i miljöer där förutsättningarna snabbt kan förändras.

Antenn
Produktnytt

Framtidens antenn är här

Exolöfs antenn GSM 4G/LTE GPS är en framtidssäkrad puckantenn som är perfekt för montering på fordon och som med sina kommunikativa egenskaper kan bli en del i din IIOT-lösning.

OEM Automatic SE Exolof
Företagsnytt

Exolöf - Produkter anpassade för Nordiskt klimat

Ur högre krav från kunderna och Nordens utmanande klimat föddes Exolöf, ett varumärke med fokus på hög kvalité och kundanpassade lösningar.

Så väljer du rätt RAM-fäste
Kunskap

Så väljer du rätt RAM-fäste

Att välja rätt RAM-fäste handlar om att dimensionera rätt från början. I fordon och maskiner är det inte bara utrustningens vikt som påverkar – utan även vibrationer, stötar, hastighet och monteringsvinkel. För att installationen ska bli stabil över tid behöver du välja rätt kulstorlek, rätt armlängd och rätt monteringslösning. I den här guiden går vi igenom hur du gör – steg för steg.

Mobila maskiner – lösningar för tuffa miljöer
Kunskap

Mobila maskiner – lösningar för tuffa miljöer

Utvecklingen av mobila maskiner går snabbt. Kraven ökar på säkerhet, livslängd, miljöprestanda och avancerad funktionalitet – samtidigt som maskinerna måste vara kostnadseffektiva, robusta och enkla att serva. Här stöttar vi på OEM Automatic dig genom hela processen. Med bred teknisk kompetens och nära samarbete med ledande tillverkare hjälper vi dig att välja rätt komponenter för de mest krävande miljöerna.

När behöver du en styrenhet som SC4X?
Kunskap

När behöver du en styrenhet som SC4X?

I off-highway-maskiner där säkerhet, driftsäkerhet och robusthet är avgörande finns det tydliga krav på hur styrsystemet måste fungera. I den här guiden beskriver vi när SC4X är ett lämpligt val och vilka krav den är utvecklad för i avancerade maskinsystem, med fokus på säker och tillförlitlig maskinstyrning.

Favoriter Varianter Kabellängd Pris/enhet
200 mm
1050 mm
1700 mm
3500 mm
4300 mm
5000 mm

Vald variant

Välj en variant i listan

Teknisk rådgivning

Victor Pettersson

Produktansvarig och inköpare, Maskin

Kundsupport
Vår kundsupport svarar på alla typer av frågor.
075-242 42 00
Skicka e-post
FAQ
+ Hur blir jag kund hos er?
För att kunna handla av oss behöver du bli kund. Vi säljer endast till företag och är du privatperson hänvisar vi dig till grossister och återförsäljare. Ansök om att bli kund här. 
Läs mer
+ Vilka priser ser jag?
Är du inloggad visas priser på alla köpbara artiklar. De priser du ser är bruttopriset, din aktuella rabatt samt valutajusterat nettopris.
Läs mer
+ Kan jag se min orderhistorik på er hemsida?
När du har loggat in på hemsidan så hittar du all din orderhistorik under Mina sidor. 
Läs mer
Chatta
BEHÖVER DU HJÄLP?